Ремонт осциллографа С1-101
С1-101 — один из самых малогабаритных отечественных осциллографов, выпущенных во времена Советского Союза. Заложенная элементная база с приёмкой 5 (военная приёмка) в сочетании с продуманными техническими решениями обеспечивала ого высокую надёжность. Однако времени подвластно всё, поэтому, став недавно обладателем этого прибора, выпущенного Львовским ПО им. Ленина в 1982 г., мне пришлось начать с его тестирования и поиска неисправностей.
Некоторые владельцы С1-101 жаловались в Интернете на неожиданно появившееся существенное снижение верхней границы ПОЛОСЫ. Пропускания усилителя вертикального отклонения. Такой дефект присутствовал и в моём осциллографе. При подаче на вход “Y” импульсного сигнала с длительностью фронта 10 не на экране ЭЛТ эта длительность оказалась 4 мкс вместо 70 не, заявленных в ТО. Мягко говоря, многовато. В усилительных каскадах канала нет элементов, влияющих на такой большой завал фронта сигнала. И дефект оказался во входном делителе. Защитный резистор R1 в блоке А1 с едва заметными следами подгорания имел сопротивление 82 кОм вместо номинального 56 Ом, Постоянная времени интегрирующей цепи из этого подгоревшего резистора и входной ёмкости прибора (40 пф) однозначно соответствовала измеренному значению времени нарастания импульсного сигнала на экране ЭЛТ. Проведённый эксперимент показал, что при переводе переключателя S1 из «≅» положения в положение «⊥» (или наоборот) есть момент, когда секции S1.1 и S1.2 замкнуты одновременно. В результате верхний по схеме вывод резистора R1 кратковременно подключается к общему проводу. Наличие в этот момент на входе “Y” достаточно большого напряжения и вызывает подгорание или появление трещин в токопроводящем слое у этого резистора.
В заключение ремонта для обеспечения заявленной верхней границы полосы пропускания прибора 5 МГц понадобилась корректировка АЧХ входного делителя с помощью подстроечных конденсаторов С6, С7 по известной методике.
http://electrik.info/main/praktika/995-kak-polzovatsya-oscillografom.htmlhttp://radiostorage.net/3307-oscillograf-s1-101-principialnaya-skhema-harakteristiki-i-foto.htmlhttp://easyelectronics.ru/ispolzovanie-oscillografa.htmlhttp://www.qrz.ru/schemes/contribute/metering/oscillograf_s1_101_principial_naa_shema_harakteristiki_i_foto.htmlhttp://meandr.org/archives/35067
голоса
Рейтинг статьи
Осциллограф С1-101 принципиальная схема, характеристики и фото
Схема электрическая принципиальная осциллографа универсального С1-101 и его электронных блоков. Технические характеристики осциллографа С1-101 и его внешний вид, фото. Принципиальная схема осциллографа С1-101 приведена в рисунках ниже.
Миниатюрный универсальный осциллограф С 1-101 предназначен для исследования формы периодических электрических сигналов путем визуального наблюдения и измерения амплитуд в диапазоне от 0,01 В до 300 В и временных интервалов от 0,3*10-6 с до 0,4 с, диапазон частот от 0 до 5МГц.По точности воспроизведения сигнала, измерения временных и амплитудных значений осциллограф С 1-101 относится к III классу ГОСТ 22737-77 Осциллографы электронно-лучевые.

Осциллограф С1-101 может быть использован при разработке, настройке и регулировке электронных схем, для проверки и ремонта контрольно-измерительной аппаратуры и различных устройств автоматики, как в лабораторных, так и в полевых условиях, в особо труднодоступных местах при настройке и проверке вычислительных устройств.
Принципиальная схема
Осциллограф универсальный С1-101 Усилитель У Схема электрическая принципиальная И22.035.377 Э3.
Осциллограф универсальный С1-101 Генератор развертки и преобразователь. Схема принципиальная И23.263.035 Э3 Лист 1.

БЛОК ПИТАНИЯ Схема электрическая принципиальная И22.087.457 Э3.

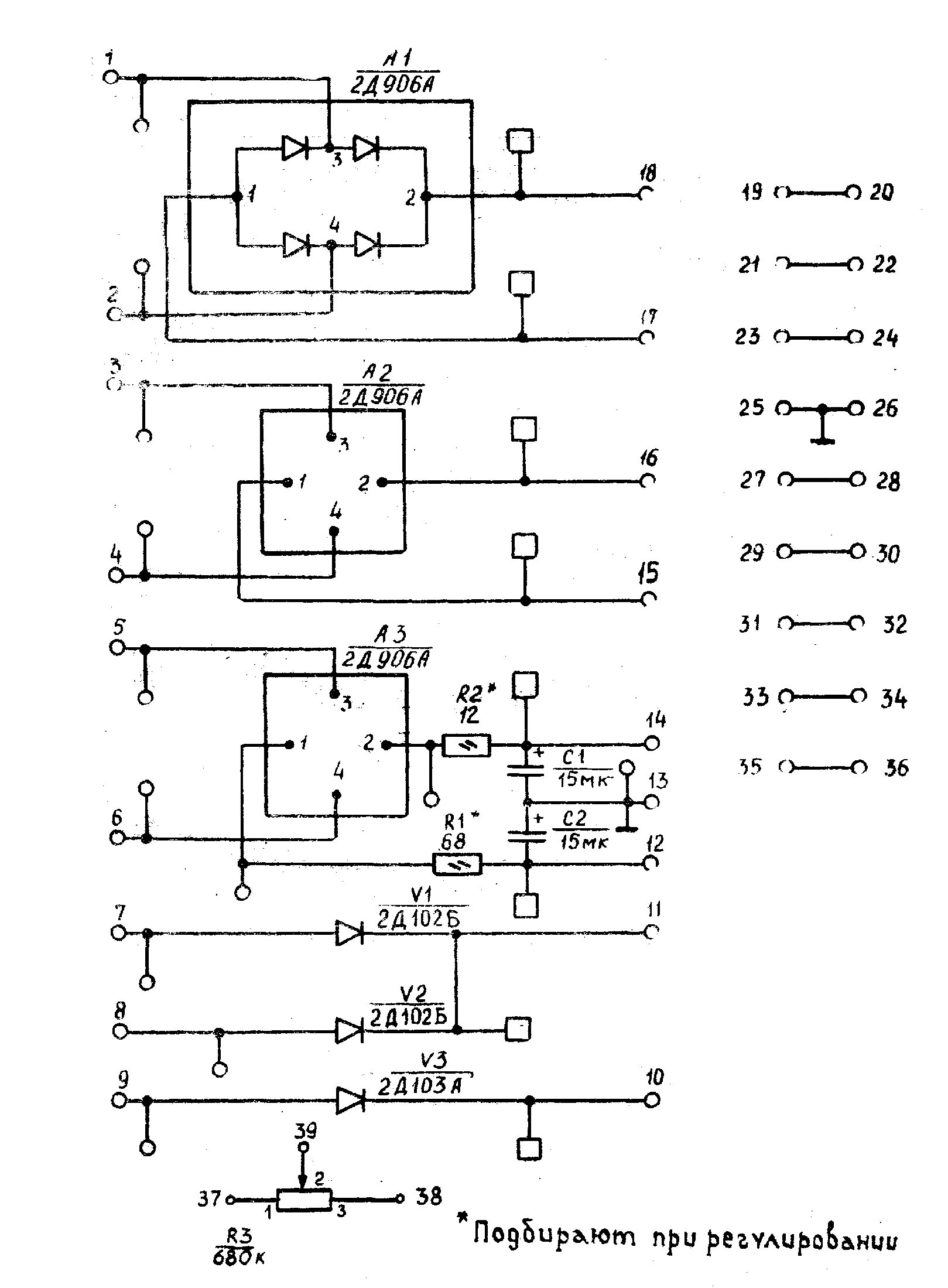
УСТРОЙСТВО АВТОМАТИКИ Схема электрическая принципиальная И22.070.145 Э3.

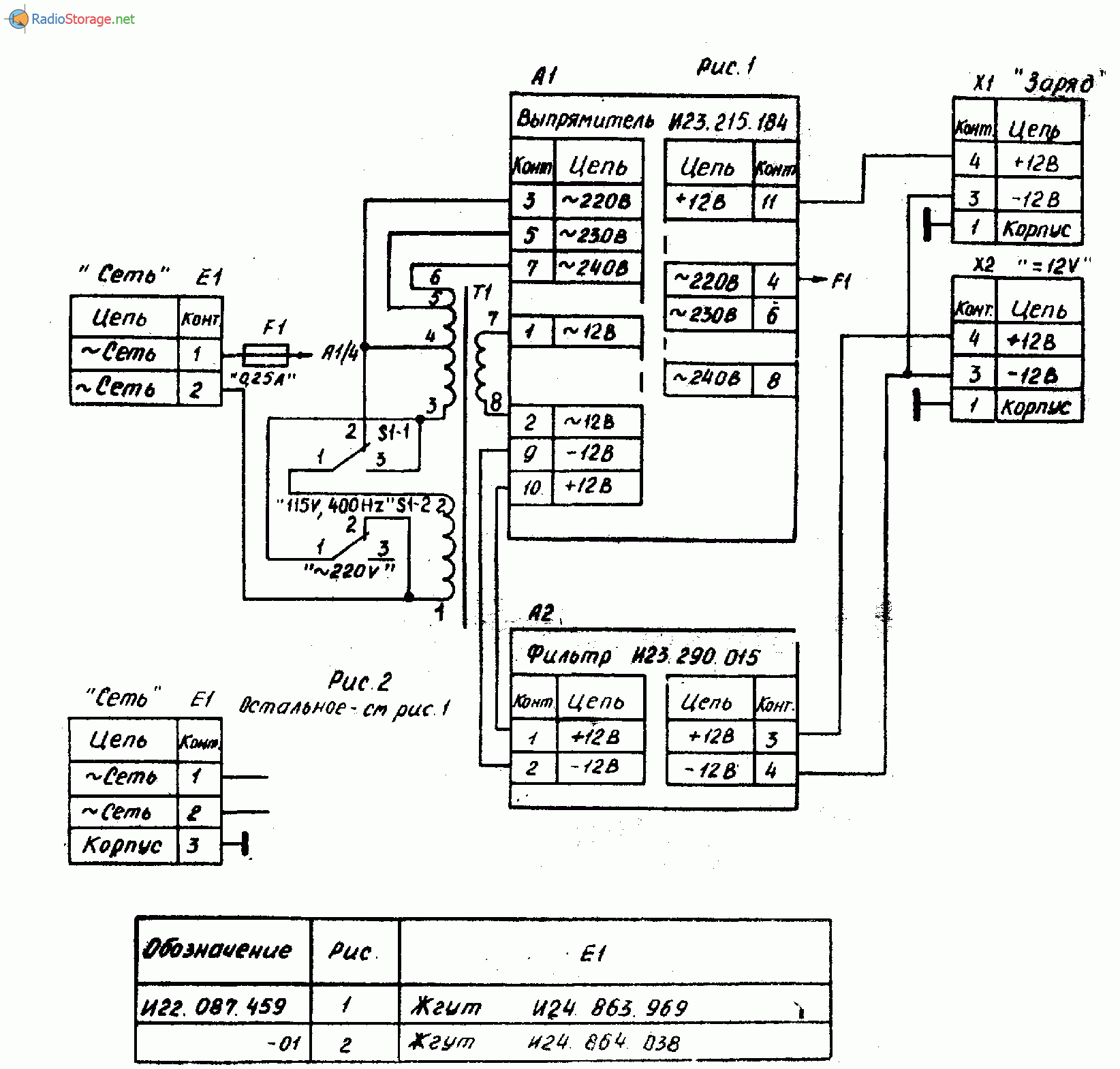
БЛОК ПИТАНИЯ Схема электрическая принципиальная И22.087.459 Э3.

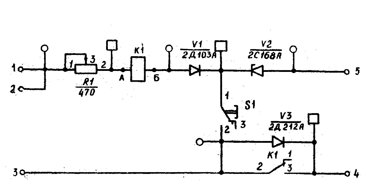
ДЕЛИТЕЛЬ Схема электрическая принципиальная И22.727.095 Э3.

ВЫПРЯМИТЕЛЬ Схема электрическая принципиальная И23.215.184 Э3.

ВЫПРЯМИТЕЛЬ Схема электрическая принципиальная И23.215.185 Э3.

ВЫПРЯМИТЕЛЬ – Схема осциллографа С1-101 И23.215.І86 Э3.

ВЫПРЯМИТЕЛЬ Схема электрическая принципиальная И23.215.187 Э3.

ФИЛЬТР Схема электрическая принципиальная И23.290.015 Э3.

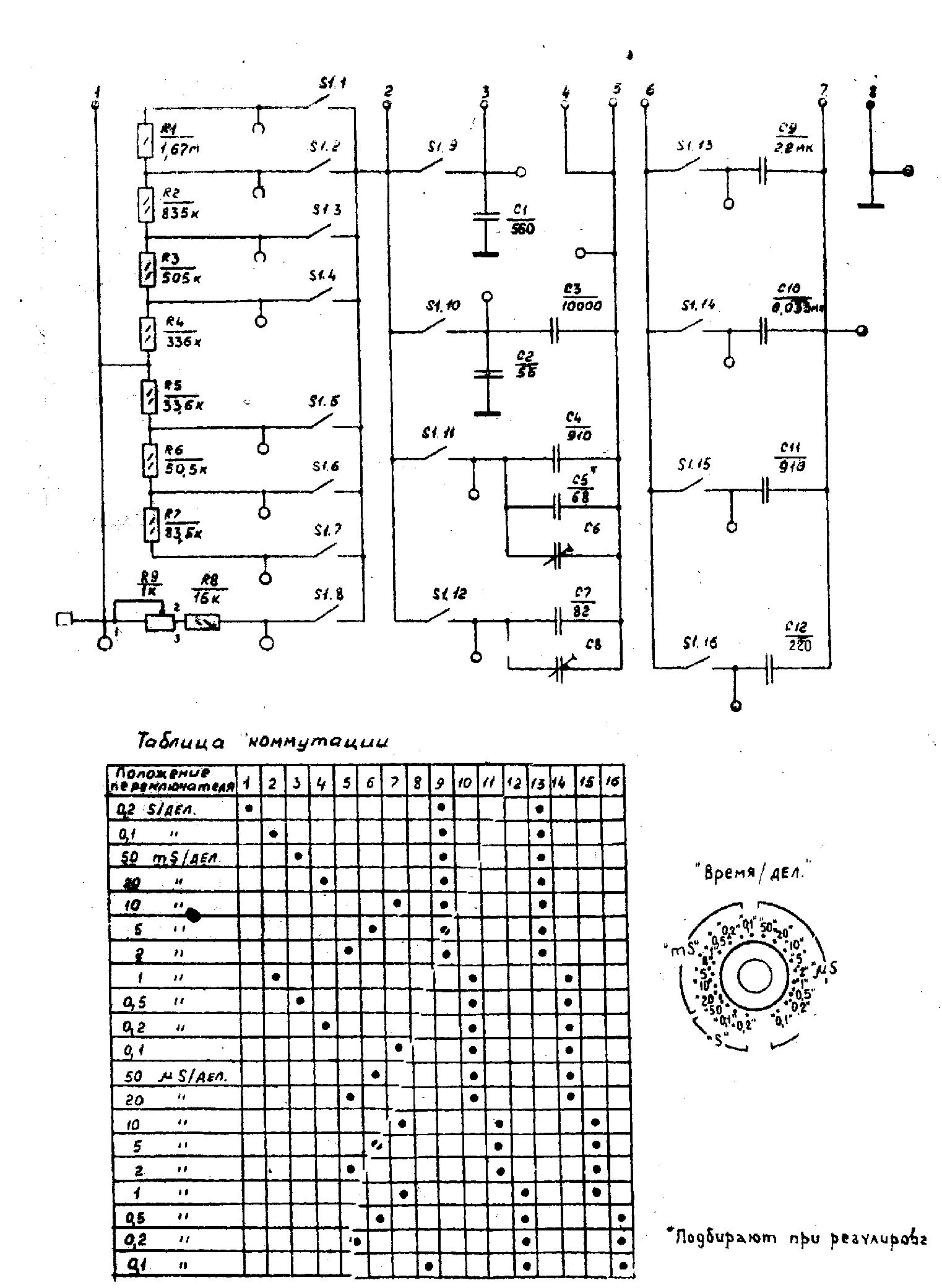
Знаками О обозначены точки автоматического контроля.
Коммутатор развертки. Схема электрическая принципиальная И23.602.025 Э3.
Условия эксплуатации
- рабочая температура окружающего воздуха от минус 30 °С до +50°С с блоком питания И22.087.457 — от минус 20 °С до’+50°С.
 - относительная влажность воздуха до 98% при температуре до +35° с блоком питания И22.087.457 — до 80 % при температуре +35 “С.
 
Прибор нормально работает после воздействия (в укладочном ящике) ударных нагрузок:
- многократного действия с ускорением до 147 м/с2 длительностью импульса от 5 мс до 10 мс;
 - одиночного действия с ускорением до 735 м/с2 и длительностью от 1 мс до 10 мс;
 
Прибор устойчив к циклическому изменению температуры окружающего воздуха от минус 50 °С до +65°С; с блоком питания И22.087.457 — от минус 50 °С до +60°С.
Параметры синхронизации, требования к регулировке и габариты осциллографа
Размеры модели — 281 х 155 х 66 мм, в укладочном ящике — 526 х 265 х 200, в транспортной таре — 725 х 406 х 323. Вес составляет не более 1800 г, а с блоком Н22.087.459 — 2,3 кг. Вместе с укладочным ящиком масса не превышает 10 кг, а в транспортной таре — максимум 22. С делителем он весит не больше 1,9 кг.
Потребляемая мощность от сети переменного тока — не более 18 ВА, постоянного — не больше 0,7 А (при напряжении 12 или 27 В). Устройство должно сохранять свои параметры в пределах норм, которые установлены техническими условиями.
Другие важные характеристики модели С1-101, касающиеся синхронизации:
- Внутренняя. Диапазон частот — от 20 до 5 * 106 Гц. При этом максимальный и минимальный уровень синхронизации должны составлять 3 и 30 мм (что соответствует 0,6 и 6 дел.). Возможная нестабильность не превышает 1 мм, то есть 0,2 дел.
 - Внешняя. Допустимый диапазон частот — от 20 до 5*106 Гц. Возможный уровень минимальной синхронизации — 0,5 В, а максимальной — 20. Нестабильность не превышает 1 мм, то есть 0,2 дел.
 - Входов внешней синхронизации. Активное сопротивление должно быть не меньше 50 кОм. При этом входная емкость не превышает 30 пФ. Эти параметры актуальны для входа «ВНЕШ. 1:1». Для «ВНЕШ. 1:10» активное сопротивление — не менее 750 кОМ, а максимальная входная емкость — 20 пФ.
 
Параметры экрана:
- Рабочая часть дисплея составляет 40 мм (8 дел. по горизонтали). По вертикали — 30 мм (6 дел. соответственно).
 - Линия луча имеет максимальную ширину 0,6 мм.
 - После пяти минут прогрева устройства кратковременный дрейф должен продолжаться в течение одной минуты и не превышать 1 мВ. Долговременный — на протяжении одного часа при 5 мВ/ч.
 - Возможно смещение линии луча в процессе перехода от одного коэффициента отклонения к другому. При этом его величина должна составлять не больше 1 дел. Смещение вследствие входного тока также не может превышать этого значения. Отклонения, вызванные изменением напряжения сети питания, должны быть не больше 0,2 дел. Также возможны случайные и/или периодические отклонения, величина которых не превышает номинального значения.
 - Возможна регулировка яркости экрана. Параметры изображения меняются от полного его отсутствия до картинки, которая максимально удобна для визуальной оценки.
 
Осциллограф С1-101 имеет внутренний источник калиброванного напряжения. Он способен генерировать импульсы прямоугольной формы, которые имеют:
- частоту повторения 1 кГц;
 - амплитуду 1 и 0,5 В.
 
Допустимый предел погрешности для этих параметров составляет ±1,5 % при использовании в нормальных условиях и ±2 % в рабочем режиме. Исследуемый сигнал должен иметь максимальную амплитуду на входе канала вертикального отклонения в 30 В, а на выходе делителя 1:10 — 300 В. Для синусоидального напряжения этот параметр не должен превышать 15 В. При этом минимальная амплитуда напряжения развертки, которая выведена на гнездо «[] []», составляет 2 В, а на нагрузке — не меньше 20 кОм с условием, что выходная емкость не превышает 20 пФ.
Технические особенности
- диапазон коэффициентов отклонений: 0.005 – 5 В/дел;
 - диапазон коэффициентов развертки: 0.1*10-6 – 0.2 с/дел;
 - основная погрешность измерения: коэффициентов отклонения ± 5%, коэффициентов развертки ± 4%;
 - ширина луча менее 0.6 мм;
 - рабочая область экрана 40 x 30 мм;
 - универсальное питание 220, 110, 27, и 12 В;
 - пластмассовый корпус;
 - рабочие условия: температура от -30 до +50 C, пониженное давление от 450 мм рт. ст., относ. влажность воздуха до 98%;
 - Макс. входное напряжение: 300 В;
 - Связь с компьютером: нет;
 - Потребляемая мощность: 18 ВА;
 - Габаритные размеры: 281 x 159 x 71 мм;
 - Вес: 1.5 кг;
 - Комплект поставки: 3 щупа, 2 из них с делителем 1:10.
 
Специфика работы с прибором
- Устройство способно непрерывно функционировать в рабочих условиях минимум шестнадцать часов. При этом оно сохраняет стандартные технические характеристики. Должны быть обеспечены нормальные режимы полупроводниковых, электровакуумных приборов и электрорадиоэлементов в рамках стандартов, норм и технических условий.
 - При использовании прибора совместно с БП И22.087.457 в нормальных условиях его продолжительность работы составляет не менее одного часа. Если температура составляет +50 °C, то он способен функционировать в течение минимум 40 минут, а при -20 °C — не меньше 20 мин.
 - Эксплуатационный ресурс достигает 2 тысяч часов.
 - Возможно хранение прибора в отапливаемом помещении в течение 12 лет, в необогреваемом — не меньше 120 месяцев. В случае размещения вместе с БП — не менее 3 лет.
 - Ориентировочный срок эксплуатации модели без БП составляет не меньше 120 месяцев. Средний рабочий ресурс достигает 10 000 часов, а с блоком питания — 3 года. На протяжении трех лет БП И22.087.457 может выдержать не меньше 150 циклов разрядки-зарядки.
 
В случае экспорта устройство должно сохранять параметры в пределах норм, которые установлены техническими условиями. Недопустимо включение модели в сеть переменного напряжения на 115 и 220 В.





























