Генератор пилообразного напряжения со стабилизатором тока
От схем стабилизаторов тока пора перейти к применению стабилизаторов в генераторах пилообразного напряжения. Тут всё достаточно просто, необходимо вместо зарядного (разрядного) резистора вставить в схему стабилизатор тока. Для примера возьмём стабилизатор тока с диодным смещением и добавим его в схему простого генератора пилообразного напряжения. Получившаяся схема изображена ниже
Схема генератора пилообразного (линейно растущего) напряжения со стабилизатором тока.
Данная схема состоит из стабилизатора тока на транзисторе VT1, стабилитроне VD1 и резисторах R1, R2, а также разрядного транзистора VT2 и конденсатора C1. Схемы генераторов пилообразного напряжения позволяют получить коэффициент нелинейности ξ ≤ 10 %, а коэффициент использования напряжения ε ≈ 0,9. Как же работает такая схема? Как известно VT1. То есть дифференциальное сопротивление коллектора будет очень высоким
в случае стабилизатора тока rK ≈ 0,5…1 МОм.
После подачи питания Епит в схему, конденсатор C1 начинает заряжаться постоянным током IС ≈ IE = const
, которой обеспечивается стабильным напряжением UST за счёт стабилитрона VD1
Таким образом, конденсатор зарядится до напряжения
которое будет являться выходным напряжением данной схемы генератора. После того как на вход схемы (базовый вывод VT2) приходит положительный импульс (UBX > UBbIX) транзистор VT2 насыщается и конденсатор C1 разряжается
Амплитуду выходного напряжения можно определить по следующей формуле
Коэффициент нелинейности будет равен
Таким образом, исходя из вышесказанного, можно сделать вывод, что данный генератор при работе на высокоомную нагрузку обеспечивает небольшой коэффициент нелинейности и большой коэффициент использования напряжения, который растёт с уменьшением напряжения стабилизации стабилитрона, а также обеспечивает большой диапазон длительности рабочего хода и небольшое время обратного хода.
Одним из недостатков данного типа генератора является то, что необходимо иметь запускающий импульс со значительным уровнем напряжения (UBX > UBbIX), а также транзисторы с разными типами проводимости.
В отличии от генератора линейно растущего напряжения, генератор линейно падающего напряжения можно собрать на транзисторах одного типа проводимости, что иногда имеет некоторое преимущество.
Генератор пилообразного (линейно падающего) напряжения со стабилизатором тока.
Расчёт номиналов элементов данной схемы ведётся идентично генератору линейно растущего напряжения.
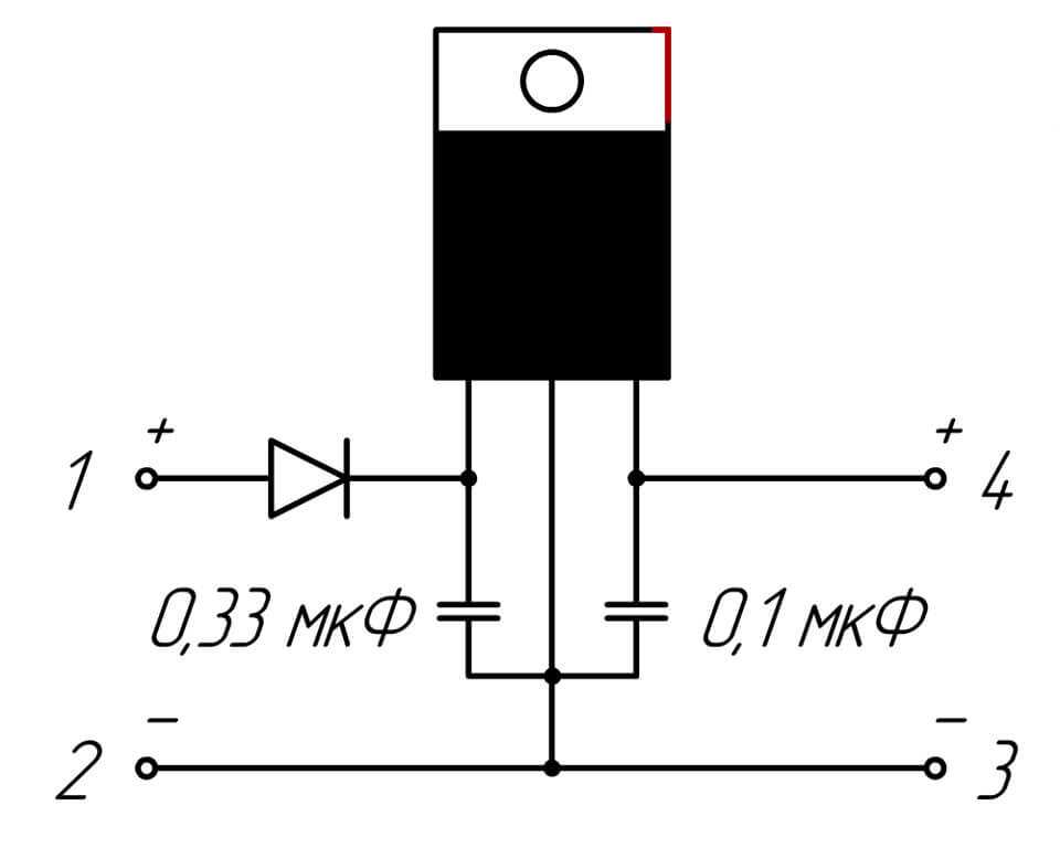
Пример типовой схемы подключения
Для всех нерегулируемых однополярных стабилизаторов типовая схема одинакова:
С1 должен иметь ёмкость от 0,33 мкФ, С2 – от 0,1. В качестве С1 может быть использован фильтрующий конденсатор выпрямителя, если проводники от него до входа стабилизатора имеют длину не более 70 мм.
Двуполярный стабилизатор К142ЕН6 обычно включается так:

Для микросхем К142ЕН12 и ЕН18 напряжение на выходе устанавливается резисторами R1 и R2.

Для К142ЕН1(2) типовая схема включения выглядит сложнее:

Кроме типовых схем включения интегральные для стабилизаторов серии 142 существуют и другие варианты, позволяющие расширить область применения микросхем.
Технические характеристики
Начнём знакомство с техническими характеристиками микросхемы крен8б с рассмотрения предельно допустимых параметров устройства
Знание этих параметров важно при проектировании новых электронных устройств. Если их значения выйдут за пределы нормы, устройство может выйти из строя
- предельно допустимое напряжение на входе – 35 В;
- максимально возможный выходной ток при Тк = -25…+75ОС – 1,5 А;
-
наибольшая рассеиваемая мощность на радиаторе:
- при Тк = -45…+70ОС – 8 Вт;
- при Тк +75ОС – 5 Вт;
- мощность без радиатора 1,5 Вт;
- температура хранения — -55 …+150 ОС.
Теперь можно детально рассмотреть остальные характеристики микросхемы. Значения вех параметров были измерены при температуре +25 ОС. Остальные условия проведения тестирования можно найти в колонке «Условия тестирования» приведённой ниже таблицы.
| Электрические характеристики стабилизатора крен8б (при Т = +25 оC) | |||||
| Название параметра | Обозн | Условия тестирования | мин | макс | Ед. изм |
| Напряжение на выходе | Uвых | Uвх=20 В; Iвых=10мA | 11,64 | 12,36 | В |
| К-т нестабильности по напряжению | Кui | Uвх=20 В; Iвых=10мA | 0,05 | %/В | |
| Температурный к-т нестабильности напряжения | α uo |
Uвх=20 В; Iвых=10мA
Т = -45…+85ОС |
0,02 | %/В | |
| К-т нестабильности по току | Кio | 1,33 | %/А | ||
| Наименьшее падение напряжения | Uвх = Uвых + 2,5 В | ≤ 2,5 | В | ||
| Потребляемый ток | Uвх = 35 В | ≤ 10 | мА | ||
| Дрейф выходного напряжения за 500 часов |
Т = +100ОС
Iвых=0,5 A |
≤ 1 | % | ||
| К-т сглаживания пульсаций | Uвх=20 В;Iвых=10мA | ≥30 | дБ |
Кроме приведённых выше сведений в технической документации имеются рекомендации по применению:
- на выход КР142ЕН8Б может быть подано напряжение величиной не более 15 В, при условии, если напряжение на входе отсутствует;
- монтаж стабилизатора можно проводить не более двух раз, а демонтаж до одного;
- наименьшая резонансная частота – 8 кГц.
Подключать КР142ЕН8Б рекомендуется по стандартной трёхвыводной схеме подключения стабилизаторов.
Стабилизатор содержит 0,0178 грамм золота и 0,0376 грамм серебра.
142ЕН1, 142ЕН2, 142ЕН3, 142ЕН4
Требуемое выходное напряжение устанавливают переменным резистором R2.

Пиковое значение тока через батарею GB1 зависит от сопротивления резистора R3 при указанном на схеме сопротивлении 1 Ом — 0,6 А. Появилась возможность снабдить каждую плату сложного устройства собственным стабилизатором напряжения СН , а значит, использовать для его питания общий нестабилизированный источник.

В момент включения питания начинает заряжаться конденсатор СЗ, поэтому транзистор открыт и шунтирует нижнее плечо делителя R1R2. Обычно входной конденсатор не нужен, если корпус стабилизатора находится в пределах 15 см от входной фильтрирующей емкости,в противном случае он необходим.

Если исходить из того, что напряжение на эмиттерном переходе транзистора VT1 и прямое напряжение диода VD1 примерно одинаковы, то распределение тока между микросхемой DA1 и регулирующим транзистором зависит от отношения значений сопротивления резисторов R2 и R1. Благодаря большому входному сопротивлению ОУ становится возможным увеличить сопротивление делителя R1R2 в десятки раз по сравнению с СН с типовым включением микросхемы DA1 и, тем самым, значительно уменьшить потребляемый им ток.

При эксплуатации устройства с током в нагрузке менее 0. Двуполярный СН на основе однополярной микросхемы можно выполнить по схеме, изображенной на рис. По мере увеличения выходного тока это падение напряжения возрастает, и когда оно достигает 0, В момент включения питания начинает заряжаться конденсатор СЗ, поэтому транзистор открыт и шунтирует нижнее плечо делителя R1R2.
Другие темы
Все системы защиты от перегрузок остаются полностью работоспособными даже если вход регулирования отключен. СН со ступенчатым включением. СН, защищенный от повреждения разрядным током конденсаторов. При этом микросхема поддерживает выходное напряжение на уровне, определяемом ее типом: при увеличении напряжения ее регулирующий элемент закрывается, снижая тем самым протекающий через нее ток, и падение напряжения на цепи R2VD2 уменьшается.
В дополнение может быть добавлен выходной конденсатор для сглаживания переходных процессов. Вашему вниманию предлагается несколько необычный способ получения стабильных значений напряжений, 3-выводные стабилизаторы для которых либо не существуют в природе, либо еще мало распространены. В литературе предлагается немало способов, как найти выход из данной ситуации. Позади указанных в таблице обозначений также могут быть буквы и цифры, указывающие на те или иные конструктивные или эксплуатационные особенности микросхемы. Общее число элементов стабилизатора было довольно значительным, особенно если от него требовались функции регулирования выходного напряжения, защиты от перегрузки и замыкания выхода, ограничения выходного тока на заданном уровне.
Все системы защиты от перегрузок остаются полностью работоспособными даже если вход регулирования отключен. Последние сообщения. Если же это напряжение, наоборот, возрастает, процесс протекает в противоположном направлении и равенство выходных напряжений также восстанавливается. Проверенный стабилизатор 12 вольт за 10 рублей для LED/светодиодов и ДХО
Какие существуют аналоги
Для некоторых приборов серии 142 существуют полные зарубежные аналоги:
| Микросхема К142 | Зарубежный аналог |
| КРЕН12 | LM317 |
| КРЕН18 | LM337 |
| КРЕН5А | (LM)7805C |
| КРЕН5Б | (LM)7805C |
| КРЕН8А | (LM)7806C |
| КРЕН8Б | (LM)7809C |
| КРЕН8В | (LM)78012C |
| КРЕН6 | (LM)78015C |
| КРЕН2Б | UA723C |
Полный аналог означает, что микросхемы совпадают по электрическим характеристикам, по корпусу и расположению выводов. Но существуют еще и функциональные аналоги, которые во многих случаях замещают проектную микросхему. Так, 142ЕН5А в планарном корпусе не является полным аналогом 7805, но по характеристикам ей соответствует. Поэтому, если есть возможность установить один корпус вместо другого, то такая замена не ухудшит качество работы всего устройства.
Другая ситуация – КРЕН8Г в «транзисторном» исполнении не считается аналогом 7809 из-за того, что имеет меньший ток стабилизации (1 ампер против 1,5). Если это не критично и фактический потребляемый ток по цепи питания меньше 1 А (с запасом), то смело можно менять LM7809 на КР142ЕН8Г. И в каждом конкретном случае всегда надо прибегать к помощи справочника – зачастую можно подобрать что-то похожее по функционалу.
Цоколевка
Внешний вид напоминает транзистор размещенный в стандартном корпусе ТО-220 (отечественный КТ-28-2). Вместе с тем, функционал и распиновка КРЕН8Б имеют совсем другое назначение. Если смотреть на лицевую часть пластиковой упаковки, то левая ножка является — «входом» (17), правая — «выходом» (8), а «общий» (2) находится посередине.

Металлическая подложка корпуса ТО-220 имеет физическое соединение с общим выводом. Символы «8Б», в конце маркировке указывают на возможное напряжение стабилизации в районе 12 В (±3%). Не путайте с восьмивольтовым КР142ЕН8А, с которого получают 8 В (±3%).
Схема с двумя вторичными обмотками трансформатора
Вторая схема (рис.З) встречается реже, но тоже присутствует. Её отличие в том, что у силового трансформатора есть вторичная обмотка двойного числа витков, с отводом от середины. Эта схема позволяет сделать выпрямитель по двухполупериодной схеме на двух диодах, вместо четырех диодов в схеме с вторичной обмоткой без отвода.
Рис.З. Схема выпрямителя с двумя вторичными обмотками.
Достоинство такой схемы в том, что у неё уже есть трансформатор с двойной вторичной обмоткой. И это позволяет сделать хороший двухполярный источник питания с двухполупериодным выпрямителем. Изменения в схеме показаны на рис.4.
Между концами вторичной обмотки включаем выпрямительный мост, а отвод берем как нулевой провод. Таким образом, добавляем еще один конденсатор и два диода.
Регулируемый блок питания
Довольно часто, с применением КР142ЕН5А, делают регулируемый блок питания. На выходе приведенной ниже схеме, можно настроить положительное напряжение в диапазоне от 5.6 до 13 вольт.

Напряжение +15 В подается на вход стабилизатора. С выхода микросхемы (ножка 3), через транзистор VT1 КТ502А, оно поступает на общий вывод микросхемы (ножка 2). Его величина регулируется переменным резистором R2. При изменении сопротивления на R2, на выходе стабилизатора можно добиться 5.6 В. Оно получаются из суммы напряжений: на выходе (5 В) и между выводами коллектором-эмиттером транзистора VT1. Так как VT1 в данном случае полностью открыт, напряжение на нем равно 0.6 В. Емкость С1 нужна для предотвращения возбуждения микросхемы, а С2 для сглаживания пульсаций.
Рекомендуем также посмотреть видео со схемой регулируемого блока питания, с помощью можно менять полярность напряжения на выходе от +5В до -5В и наоборот.
Технические характеристики
В блоках питания от сети 220В линейный стабилизатор обычно устанавливается сразу после выпрямительного диодного моста, где выполняет свою основную роль источника вторичного электропитания (ИВЭП). Рекомендуемая производителями величина входного напряжения у КРЕН8Б находится в диапазоне 14,5 … 18 В. В любом случае, должно быть на 2,5-3 В больше от опорного.
Максимальные параметры
Изготовителями заявлены следующие максимальные параметры КР142ЕН8Б, при температуре корпуса (ТК) от -45 до +70оС, если не указано иного:
- входное напряжение (при ТК от -45 до +100оС) — до 30 В;
- мощность рассеивания – до 1,5 Вт; до 8 Вт (c теплоотводом);
- ток в нагрузке – до 1500 мА (c использованием теплоотвода).
Электрические параметры
Если ток в нагрузке будет более 100 мА, то рекомендуется применение теплоотвода. На практике его величина может достигать 900 мА, что на много меньше значения заявленного отдельными производителями в даташит, но вполне достаточного для большинства современных слаботочных систем. Сведения о электрических параметрах КРЕН8Б, при температуре окружающей среды +25оС, представлены в таблице ниже.
Типовое включение
Устойчивая работа электронных приборов обеспечивается стабильностью поданного на них электропитания. Отсюда и возникает потребность в его выравнивании до необходимого уровня. Превышение или снижение питающих значений недопустимо, так как приводит к неисправности в работе оборудования. Самый очевидный способ — использовать популярную отечественную микросхему из серии КР142.
КР142ЕН8Б является одним из линейных стабилизаторов указанной серии. Его типовая схема подключения очень простая и подходит для всех КР142ЕН. Она включает в себя саму КРЕНку (еще одно неофициальное название 142ЕН8Б) и пару сглаживающих конденсаторов. В даташит рекомендовано применение небольших ёмкостей с величиной 0,33 и 1,0 мкФ. Обычно используют керамические или танталовые версии.
Если для проекта выбраны алюминиевые электролитические конденсаторы, то они должны быть не менее 10 мкФ. Их лучше подсоединять как можно ближе к выводам микросхемы. Многие радиолюбители делают это навесным монтажом, спаивая ножки радиоэлементов между собой.
Советуем Вам проверить информацию о содержании драгоценных металлов в КРЕН8Б, так как некоторые экземпляры могут иметь ценность даже после выхода из строя.
Мощный импульсный стабилизатор тока
Широкий диапазон питающих токов и нагрузок не всегда является основным требованием к стабилизаторам. В некоторых случаях решающее значение отводится высокому коэффициенту полезного действия прибора. Эту задачу успешно решает микросхема импульсного стабилизатора тока, заменяющая компенсационные стабилизаторы. Приборы этого типа позволяют создавать высокое напряжение на нагрузке даже при наличии невысокого входного напряжения.

Кроме того, существует повышающий стабилизатор тока импульсного типа. Они используются вместе с нагрузками, питающее напряжение которых превышает входное напряжение стабилизирующего устройства. В качестве делителей выходного напряжения используются два резистора, задействованные в микросхеме, с помощью которой входное и выходное напряжение поочередно уменьшается или увеличивается.
Стабилизатор крен8б
В настоящее время интегральные стабилизаторы напряжения распространены достаточно широко. Источники питания с использованием таких стабилизаторов имеют небольшое количество дополнительных элементов, низкую стоимость и обладают отличными техническими характеристиками. Линейный стабилизатор крен8б – один из наиболее распространённых вариантов отечественного производства, являющийся аналогом импортных стабилизаторов линейки 78хх.

Действие стабилизатора
Стабилизатор кр1428б даёт возможность снабжения каждой платы сложного прибора отдельным стабилизирующим устройством и воспользоваться для его питания общим источником, не обеспеченным стабилизацией.
Поскольку поломка одного из стабилизаторов приводит к выходу из строя только подключенного к нему блока, это повышает общую надёжность устройств. Также такая схема подключения смогла решить проблему борьбы с помехами импульсного характера и наводками на длинные питающие провода.

Следует знать, что превышение значения тока, на которое рассчитано устройство, может повлечь за собой выход стабилизатора из строя. Однако современные стабилизаторы имеют защиту по току – в случае превышения максимальной нагрузки тока они просто отключаются.
К минусам линейных стабилизаторов можно отнести и сильный нагрев при повышенной нагрузке. Так повышение входного напряжения влечёт за собой перегрев стабилизатора. При разработке стабилизаторов крен8б эта проблема была решена обеспечением защиты по перегреву.

Технические характеристики:
- Стабилизатор кр1428б имеет следующие характеристики:
- допустимая величина выходного тока 1 Ампер;
- наличие внутренней термозащиты;
- защищённый выходной транзистор;
- отсутствие необходимости во внешних компонентах;
- внутренние ограничения токов короткого замыкания.
Применение
Применяться такой стабилизатор может в таких устройствах, как:
- в радиоэлектронных устройствах как источник питания логических систем;
- в устройствах воспроизведения высокого качества;
- в измерительных приборах.
При добавление в типовые схемы дополнительных элементов можно превратить стабилизатор из источника напряжения в источник с регулировкой как напряжения, так и тока.

Если длина соединительных проводов стабилизатора с фильтрующими конденсатами выпрямителя превышает 1 метр, тогда на его входе требуется установка электролитического конденсатора.

Выбор линейного стабилизатора крен1428б поможет решить проблему со стабилизацией напряжения в большом спектре радиоэлектронный и других устройств и продлит срок использования приборов.
![]()
Линейный стабилизатор против операционного усилителя
Прежде чем мы проанализируем саму схему, мы должны обсудить преимущества подхода с линейным стабилизатором для получения стабилизированного тока. Методы с операционным усилителем, представленные в предыдущих статьях, несомненно, эффективны, так зачем возиться с новым методом?
Вот некоторые моменты, которые следует учитывать:
- Большинство операционных усилителей не рассчитано на высокий выходной ток, поэтому схема на основе линейного стабилизатора позволяет избежать ограничений по выходному току типовых операционных усилителей.
- Микросхема стабилизатора имеют защиту от перегрева.
- Линейные стабилизаторы обеспечивают бо́льшую устойчивость к большим входным напряжениям и высокой рассеиваемой мощности.
- Возможно, вы сможете найти один компонент, который подойдет практически для всех ваших требований по стабилизации напряжения и получения тока. Моим наименее любимым аспектом проектирования схем/печатных плат является создание запасов новых компонентов, поэтому я стараюсь использовать детали, которые могут пригодиться для будущих проектов.
Дополнение от 25.02.16
Например, к вам в руки попал блок питания от роутера с «переменкой» 9-12 вольт на выходе. Если размеры позволяют, то почему бы не встроить стабилизатор внутрь?

Корпус надо аккуратно расколоть по шву с помощью ножа и ощутимого постукивания по ножу. Электронику можно всю сделать на плате, но я не стал заморачиваться и спаял «навесом», кое-где прихватив термоклеем. Светодиод — по желанию. Обратно половинки склеиваются суперклеем.
Иногда приходится заменять штекер. Наиболее распространены 5,5/2,1 мм (наружный/внутренний диаметр) и 5,5/2,5 мм.

По возможности лучше брать те, что справа, с желтым изолятором. Они сделаны не так халтурно.
Дополнение от 05.06.16
Бывают случаи, когда нужно нестандартное напряжение — например, 8,7 вольт.

Применив L7808 и кремниевый диод (Uпр = 0,7 В), на выходе можно получить искомые 8,7 вольт. Включая несколько диодов последовательно, можно еще больше поднять напряжение: для двух кремниевых это будет уже почти плюс 1,4 вольта к тому, на что запрограммирован сам стабилизатор. Диод (или диоды) надо выбирать соразмерно потребляемому нагрузкой току — для мелочи пойдет и КД522 (до 100 мА), а для чего покрупнее — хотя бы и 1N4001 (1 А).
Кремниевый диод добавляет 0,6-0,7 вольт, германиевый — 0,3-0,4 В. Можно с успехом их компоновать, максимальный ток такого самодельного стабилизатора определяется максимальным током самого хилого элемента.
Нравится
О стабилизаторах напряжения и стабилизаторах тока «Крен» привет
В обсуждениях электрических схем часто встречаются термины «стабилизатор напряжения» и «стабилизатор тока». Но какая между ними разница? Как работают эти стабилизаторы? В какой схеме нужен дорогой стабилизатор напряжения, а где достаточно простого регулятора? Ответы на данные вопросы вы найдёте в этой статье. Рассмотрим стабилизатор напряжения на примере устройства LM7805.В его характеристиках указано: 5В 1,5А. Это значит стабилизирует он именно напряжение и именно до 5В. 1,5А — это максимальный ток, который может проводить стабилизатор. Пиковая сила тока. То есть от может отдать и 3 миллиампера, и 0,5 ампер, и 1 ампер. Столько, сколько тока требует нагрузка. Но не больше полутора. Это главное отличие стабилизатора напряжения от стабилизатора тока.
Все схемы стабилизатора напряжения крен8б
характеристики, аналоги, схемы подключения
| наименование | аналог | Uвых., В | Iстаб., А | Uвх., В | рис. |
| КР142ЕН5А | 7805 | +5 | 3.0 | +7,5. 15 | 1 |
| КР142ЕН5Б | 7806 | +6 | 3.0 | +8,5. 15 | 1 |
| КР142ЕН5В | +5 | 2.0 | +7,5. 15 | 1 | |
| КР142ЕН5Г | +6 | 2.0 | +8,5. 15 | 1 | |
| КР142ЕН8А | 7809 | +9 | 1.5 | +11,5. 35 | 1 |
| КР142ЕН8Б | 7812 | +12 | 1.5 | +14,5. 35 | 1 |
| КР142ЕН8В | 7815 | +15 | 1.5 | +17,5. 35 | 1 |
| КР142ЕН8Г | +9 | 1.5 | +11,5. 35 | 1 | |
| КР142ЕН8Д | +12 | 1.5 | +14,5. 35 | 1 | |
| КР142ЕН8Е | +15 | 1.5 | +17,5. 35 | 1 | |
| КР142ЕН9Е | +27 | 1 | |||
| КР142ЕН9Ж | 7820 | +20 | 1 | ||
| КР142ЕН9И | 7824 | +24 | 1 | ||
| КР142ЕН9К | 7827 | +27 | 1 | ||
| КР142ЕН10 | +3. 30 | 1.0 | |||
| КР142ЕН11 | +1,2. 37 | 1.5 | |||
| КР142ЕН12 | +1,2. 37 | 1.0 | 3 | ||
| КР142ЕН12А | LM317T | +1,2. 25 | 1.5 | 3 | |
| КР142ЕН18А | -1,2. 26,5 | 1.0 | 4 | ||
| КР142ЕН18Б | LM337T | -1,2. 26,5 | 1.5 | 4 | |
| КР142ЕН22 | TL1084 | +1,2. 25 | 5.0 | 3 | |
| LM338T | +1,2. 25 | 5.0 | 3 | ||
| КР142ЕН22А | TL1083 | +1,2. 25 | 7.5 | 3 | |
| КР1157ЕН502 | 78L05 | +5 | 0.1 | 2 | |
| КР1157ЕН602 | 78L06 | +6 | 0.1 | 2 | |
| КР1157ЕН802 | 78L08 | +8 | 0.1 | 2 | |
| КР1157ЕН902 | 78L09 | +9 | 0.1 | 2 | |
| КР1157ЕН1202 | 78L12 | +12 | 0.1 | 2 | |
| КР1157ЕН1502 | 78L15 | +15 | 0.1 | 2 | |
| КР1157ЕН1802 | 78L18 | +18 | 0.1 | 2 | |
| КР1157ЕН2402 | 78L24 | +24 | 0.1 | 2 | |
| КР1157ЕН2702 | 78L27 | +27 | 0.1 | 2 | |
| КР1162ЕН5А | 7905 | -5 | 1.0 | 7 | |
| КР1162ЕН6А | 7906 | -6 | 1.0 | 7 | |
| КР1162ЕН8А | 7908 | -8 | 1.0 | 7 | |
| КР1162ЕН9А | 7909 | -9 | 1.0 | 7 | |
| КР1162ЕН10А | 7910 | -10 | 1.0 | 7 | |
| КР1162ЕН12А | 7912 | -12 | 1.0 | 7 | |
| КР1162ЕН15А | 7915 | -15 | 1.0 | 7 | |
| КР1162ЕН18А | 7918 | -18 | 1.0 | 7 | |
| КР1162ЕН24А | 7924 | -24 | 1.0 | 7 | |
| КР1168ЕН1 | -1,5. 37 | 0.1 | |||
| КР1168ЕН5 | 79L05 | -5 | 0.1 | 8 | |
| КР1168ЕН6 | 79L06 | -6 | 0.1 | 8 | |
| КР1168ЕН8 | 79L08 | -8 | 0.1 | 8 | |
| КР1168ЕН9 | 79L09 | -9 | 0.1 | 8 | |
| КР1168ЕН12 | 79L12 | -12 | 0.1 | 8 | |
| КР1168ЕН15 | 79L15 | -15 | 0.1 | 8 | |
| КР1168ЕН18 | 79L18 | -18 | 0.1 | 8 | |
| КР1168ЕН24 | 79L24 | -24 | 0.1 | 8 | |
| КР1170ЕНЗ | +3 | 0.1 | |||
| КР1170ЕН4 | +4 | 0.1 | |||
| КР1170ЕН5 | +5 | 0.1 | |||
| КР1170ЕН6 | +6 | 0.1 | |||
| КР1170ЕН8 | +8 | 0.1 | |||
| КР1170ЕН9 | +9 | 0.1 | |||
| КР1170ЕН12 | +12 | 0.1 | |||
| КР1170ЕН15 | +15 | 0.1 |
| РЕКЛАМА: # Я только что нашел в закладках интересную рубрику. # Посещая рекламные объявления — Вы выражаете благодарность создателям сайта |






























