Седьмое место — Эстония ЭП 010
Отличная вертушка с полным автоматическим фаршем. Почему полным? Это вертушка, в которой можно переключать треки, как на проигрывателе компакт-дисков. Правда, она не комплектуется пультом, и приходится переключать треки, перещелкивая кнопки.
Конечно, это на любителя. Эстония ЭП 010 производит очень хорошее впечатление – богатый, шикарный такой пластик, вообще, классно смотрится. Она такая тонкая, закрывается сверху защитной полированной, темной крышкой. Классно!
У Эстония ЭП 010 вообще очень-очень классная сама конструкция, данный вертак смотрится довольно интересно. Он состоит как бы из двух тонармов — это тонарм обычный, где присутствует игла, и рядом второй тонарм, где присутствует датчик слежения за треками.

↑ Наводим красоту в экстерьере
Сначала хотел просто корпус оклеить самоклеющейся плёнкой, но, умея работать с деревом, так поступить было бы непростительно. Снимаю ЭПУ, корпус, с него снимаю ножки. Ради интереса чуть пошкрябал циклей. Под пятью слоями лака/краски/лака/краски/лака (ну и воняет) скрывается обычная берёзовая фанера. Торцы оклеены шпоном бука. Можно было это дело просто отциклевать, отшлифовать и покрыть лаком. Но шпон бука отслоился уже снизу. Нет, делать — так делать. Был нарезан шпон дуба из старой доски. Толщина — 3.5 мм «грязная». После шлифовки будет 2.5-3мм. Бук отлетал сам от прикосновения стамеской. Фрезером с верха корпуса снял 2 мм.
Шпон клеился клеем ПВА, каждый кусок зажимался струбцинами через брусок. Клеилось в такой последовательности: верхние грани, примыкающие к бокам ЭПУ, далее грань под блоком управления, боковые грани и передняя грань. Перед поклейкой каждой следующей нужно было срезать лишнее предыдущей. Дуб — хрупкая древесина и колется просто на «ура». Поэтому я оставлял «лишнее» на 1 мм и просто его «сгрызал» шкуркой, что дало красивые и гладкие торцы.
После того, как все грани были оклеены, я корпус отшлифовал наждачной бумагой № 150 и № 320, тонировал морилкой «под вишню» и покрыл лаком для кисти на водной основе. Уж не хотелось разводить вонь в квартире. Перед лакировкой древесина морилась и шлифовалась несколько раз, т. к. морилка приподымает волокна древесины. После аппарат был собран в обычной последовательности.
↑ Усилитель-корректор
Или фонокорректор или винил-корректор, фонопреамп, как душе угодно. В «Веге 110» он установлен в металлическом экране, выполнен на микросхеме К157УД2. Откручиваю винт, снимаю крышку экрана. Что за. Номиналы конденсаторов не соответствуют схеме! С9-С10 стоят 3.3нф вместо 10нф, а С13-С14 — 0.15мкф вместо 0.25мкф. Нет, не дело это.
Меняем советскую плёнку на MKP. Электролиты С3-С4 тоже менять обязательно. Прослушивание после замены конденсаторов не особо впечатлило. Звук уж слишком мягкий. Выпаиваю К157УД2, вместе с ней конденсаторы цепей коррекции ОУ С7-С8. В качестве замены были выбраны операционные усилители TL071 в корпусе DIP8. Почему именно они, а не двухканальный вариант TL072? Да потому что их можно впаять без всяких переходников!
Берём одну микруху, выводы 1 и 8 отгибаем там, чтоб они были параллельны корпусу. Впаиваем так, чтоб вывод 4 и 5 стал на место 7 и 8 штатного ОУ соответственно. Выход, вход инвертирующий/неинвертирующий стали туда, где им и место. У второго ОУ так же гнём 1 и 8 ноги, впаиваем со стороны проводников так, чтоб 4-я нога стала на место 1-й, а 5 — на место 14-й. Питание к выводам 4 (-) и 7 (+) я протянул тонкими проводами от соответствующих дорожек на плате.
Можно было вытравить новую плату под современные гнёзда, поставить более крутой корректор — тут дело вкуса. Мне было любопытно выжать все соки из штатной схемы. Собрал, послушал. Звук стал понасыщеннее, но такой же мягкий. Видмо, дело не в деталях, а в схемотехнике.
↑ Установка Target Light
Сделать данную доработку меня подтолкнула статья о доработке проигрывателя «Арктур-006». Сразу следует о не является столь уж необходимой, но здорово помогает при выборе треков на пластинке, когда проигрыватель эксплуатируется в месте с недостаточным освещением. К тому же всякие Technics’ы и иже с ними ставят Target Light на свои вертушки, а мы чем хуже? Ничем, поехали! Не беря в расчет всяческие экстравагантные конструкции, Target Light обычно делают двумя основными способами. Первый сложнее, но выглядит более изящно. Target Light представляет собой колонну, которая утоплена в корпус проигрывателя. Для ее использования необходимо нажать на расположенную рядом кнопку или на саму колонну. В этом случае колонна поднимается на уровень пластинки и зажигается подсветка. Такую конструкцию, например, имеет Target Light у проигрывателя Technics SL-1200, а также у похожих моделей проигрывателей Audio-Technica, Pioneer и других.

Эта колонна имеет довольно сложное внутреннее устройство из-за механизма подъема/опускания. Поэтому изготовление чего-то подобного в домашних условиях не то, чтобы невозможно, но довольно проблематично. Поэтому рассмотрим вторую основную конструкцию Target Light. Здесь лампочка распложена в маленьком цилиндрическом корпусе с разъемом RCA на конце.

На верхней же панели проигрывателя просто имеется ответный разъем RCA, куда вставляется цилиндр с лампочкой. Подобное решение применено в младших моделях Audio-Technica , а также в менее легендарных проигрывателях, таких как Stanton, Numark и подобных.

Вот эту конструкцию уже значительно проще реализовать, ей и займемся.
Итак, для начала нам необходимы основные элементы — разъемы RCA. Гнездо («мама») с креплением на корпус у меня было, а вот «папу» пришлось купить. Здесь звуковой сигнал протекать не будет, поэтому покупать позолоченные разъемы, прокипяченные на рассвете в слезах девственницы, нам ни к чему. Берем что-то более-менее приличное по внешнему виду и вперед. Я использовал вот такие:

Далее необходимо изготовить некоторые дополнительные детали, чтобы из аудио разъемов получить мини светильник. Во-первых, гнездо крепится обычной гайкой, что не совсем презентабельно. Нужно что-то более эстетичное. Во-вторых, разбираем «папу» и выбрасываем корпус. Вместо него нужно сделать цилиндр с отверстием для лампы. После некоторых раздумий были спроектированы и изготовлены вот такие детали:

А вот так разъемы выглядят в сборе:

В качестве источника света будут использованы 2 ультраярких белых светодиода диаметром 3 мм. На корпусах светодиодов имеется лыска со стороны катода. На одном светодиоде необходимо надфилем или наждачной бумагой сделать такую же лыску со стороны анода.
Затем нужно склеить эти два светодиода между собой, совместив их катод к аноду. Два средних вывода спаиваются вместе, а к крайним припаиваются тонкие проводки. Другие концы проводов припаиваются к контактам разъема RCA.
Далее обе части колонны собираются вместе, и, таким образом, получается рабочая часть Target Light.

Гнездо устанавливается на столе ЭПУ в удобном месте так, чтобы колонна не мешала движению тонарма и диска с пластинкой.

Питание светодиодов будет осуществляться от 10В с платы управления ЭПУ. Подключение осуществляется по следующей схеме:
↑ Проверка и ТО двигателя
Перед запуском двигателя после длительного хранения в неблагоприятных условиях целесообразно проверить его состояние: щетки, смазка и т. д. Для этого необходимо извлечь сам двигатель из пластикового корпуса. Отпускаем зажимной винт на втулке крыльчатки и снимаем крыльчатку с вала

Двигатель находится в силиконовым кожухе и плотно сидит в корпусе. Извлекаем его из корпуса надавливая на него снизу через отверстие в корпусе. После извлечения двигатель следует разобрать. Крышка двигателя очень плотно запрессована в металлический корпус. Для их рассоединения можно поставить на линию между корпусом и крышкой нож и слегка ударить по ножу. После появления щели маленькой плоской отверткой аккуратно по периметру поддеть крышку и отделить ее от корпуса.
ВАЖНО!
Перед разборкой двигателя обязательно пометьте маркером или царапиной положение крышки относительно корпуса. При сборке необходимо точно совместить метки на крышке и корпусе. В противном случае вам гарантированно обеспечена веселая жизнь в виде всевозможных проблем с двигателем от потери мощности и вращения в другую сторону до полной неработоспособности.

После разборки извлекаем ротор и осматриваем все части на предмет загрязнений, окисления и т. д.

Очищаем все при помощи спирта, удаляем старую смазку со втулок и вала ротора, очищаем при необходимости контактные дорожки якоря и щетки от окислов и загрязнений. Наносим новую смазку на втулки. Я использовал все ту же силиконовую смазку СИ-180 . Можно также применить жидкое масло «Приборное» или «Смазочное бытовое». Следите, чтобы масло не попало на контактные части якоря и щеток.

Далее аккуратно вставляем ротор во втулки, совмещаем метки на крышке и корпусе и собираем двигатель, вдавливая крышку в корпус. Надеваем на двигатель силиконовый кожух и вставляем его в пластиковый корпус. Осталось заменить фоторезистор. Извлекаем старый и убеждаемся в его неисправности. И снова мы имеем ту же проблему с размерами посадочного гнезда и нового фоторезистора, что и в плате ЭПУ. Для надежного расположения и фиксации нового фоторезистора в огромном гнезде мне также выточили переходную втулку

У этой втулки есть небольшая лыска. Без нее втулка упиралась в двигатель и не садилась в гнездо. При установке необходимо направить лыску в сторону двигателя и вдавить втулку до упора в гнездо. Далее одеваем на вал крыльчатку и фикисируем ее зажимным винтом.
Двигатель готов!

Светодиод для освещения фоторезистора двигателя крепим в штатном кронштейне аналогично светодиоду автостопа на плате ЭПУ.
↑ Начало истории
Принёс домой, раздобыл пару пластов. Включил, игла заскользила по дорожке, в наушниках раздался характерный лёгкий треск. Таааак, отстроим-ка мы скорость. Что такое? То медленнее, то быстрее. Ладно. Более-менее нарулили, теперь громкость. Ах ёлки, потенциометры имеют в некоторых местах обрыв! На полной громкости есть фон. Да ещё и лак на корпусе пожелтел, и он теперь не совсем серебристого цвета. Конечно, можно было купить другой аппарат. Но тут я вспомнил фразу с датагорской статьи о твике усилителя Вега-122: «инженер, который не может починить неисправную Вегу, таковым, в общем-то, и не является». У меня хоть и другая специальность, никак не связанная с электроникой, но всё же мысль «вызов принят, я таки сделаю эту капризную барышню» засела в голове крепко.
↑ Новый усилитель для наушников
Раскачка входного напряжения по амплитуде возложена на ОУ TL071. VT1-VT2 в диодном включении, вместе с резисторами R3-R4, задают смещение для транзисторов выходного каскада, собранного на транзисторах VT3-VT4. Усилитель обладает приятным звучанием, минимумом шумов, способностью работать на нагрузку от 32-х до 600 Ом. В питание накидал «плёнки» для лучшего звучания на СЧ-ВЧ.
↑ Список деталей наушникового усилителя (один канал):
OP1 — TL071 — 1шт R1 — 20 k (сдвоенный, соответствено, один на два канала) R2 — 560 Ом — 1шт R3-R4 — 10 k — 2шт R5 — 12 k — 1шт R6-R7 — 2,2 Ом — 2шт R8 — 22 Ом, 0,5 Вт — 1шт C1, C6-C7 — 1 mF x 63 V — 3шт C2, C4-C5 — 100 mF x 25 V — 3шт C3 — 22 mF x 25 V — 1шт C8 — 22 pF — 1шт VT1-VT3 — BC337 — 2шт VT2-VT4 — BC327 — 2шт VR1 — 7815 — 1шт VR2 — 7915 — 1шт
Заводская панелька под органы управления усилителем была переделана. Отверстия заклеены сзади «латками» из пластика, вырезанными из футляра для ИМС. Пластик обязательно должен быть отшкурен. В прорези по регуляторы громкости были вырезаны узкие полоски пластика и вклеены поверх основных заглушек в 2 слоя, что избавило от необходимости шпатлевания. Клеилось всё на цианоакрил. После высыхания отшкурено и покрашено тем, что было под рукой (краска а-ля воронёное железо).
↑ Начало истории
Принёс домой, раздобыл пару пластов. Включил, игла заскользила по дорожке, в наушниках раздался характерный лёгкий треск. Таааак, отстроим-ка мы скорость. Что такое? То медленнее, то быстрее. Ладно. Более-менее нарулили, теперь громкость. Ах ёлки, потенциометры имеют в некоторых местах обрыв! На полной громкости есть фон. Да ещё и лак на корпусе пожелтел, и он теперь не совсем серебристого цвета. Конечно, можно было купить другой аппарат. Но тут я вспомнил фразу с датагорской статьи о твике усилителя Вега-122: «инженер, который не может починить неисправную Вегу, таковым, в общем-то, и не является». У меня хоть и другая специальность, никак не связанная с электроникой, но всё же мысль «вызов принят, я таки сделаю эту капризную барышню» засела в голове крепко.
↑ Замена головки звукоснимателя
В штатном варианте стоит MF-100. Отзывы о ней не очень. Поэтому лучше сменить сразу. У меня уже стояла ГЗМ-105МД, как говорилось ранее. Но её сменил на звукосниматель Audio Technica AT95E. Современные головки лёгкие, поэтому надо или утяжелять шелл (как сделал я), чтобы выставить необходимую прижимную силу (для данной головки 1.5-2.4г), или лепить туда другой шелл. Я утяжелил с помощью 2 тонких пластиковых полосок, приклеенных цианоакрилатом. В прошлой жизни это была карточка какая-то.
Далее нужно выставить прижимную силу. Для этого включил микролифт, крутил противовес до тех пор, пока тонарм не стал параллельно столу ЭПУ (если смотреть сбоку). Пластиковую шкалу повернул нолём вверх. Кручу до 1.7г.
Ставим по шаблону. Их можно скачать в Сети или начертить самому. Я скачал свой в Сети, но, увы, ссылку не нашёл. А жаль.
Схемы усилителей
Об этом также нужно помнить. Как результат — вылетела микруха предусилителя КУД2. По-русски он называется СГ Как только спаяли такой переходник, смело подсоединяем к ноутбуку и усилителю. До темброблока идут селектор каналов или селектор входов.
Для желающих дальнейшей модернизации: попробуйте пустить сигнал прямо на усилитель, минуя предварительный. Чтоб установить напряжение питания оу в пределах вольт увеличиваем сопротивление резисторов в плечах до 2,4КОм кроме того это положительно скажется на разгрузке УН, искажения на высоких частотах упадут примерно в 2 раза , не стоит боятся отсутствия стабилитронов — напряжение прекрасно само балансируется разбаланс не более 0, вольта и фильтруется от низкочастотных помех по питанию помех этими же конденсаторами мк.
Этот шаг не менее важен, несмотря на некоторые опасения за работу оу. После чего слушайте.
И так усилитель напряжения, оконечный усилитель и блок питания. Тем более, что гнёзда под ещё 2 кондёра предусмотрены конструкцией!
Теперь не менее проблемная входная часть. Существенно превышать такой уровень сигнала не следует, поскольку у LM после выходного напряжения большего 6 вольт сильно растет Кг поэтому же её напряжения питания выбрано максимально возможным — порядка 16, вольт особо внимательные могут найти моё скромное допущение в схеме ;.
Второе — убираем все нелинейные элементы со входа, то есть стабилитроны и диоды в плечах питания зачем диоды там установлены мне не понятно, наверное на складе лишние были.
В первую очередь надо заняться схемой питания усилителя, это просто тихий ужас.
Музей Бердского радиозавода «Вега»

Читайте дополнительно: Снип прокладка кабеля в земле
На четвёртом месте — Арктур-006
Это отличный вертак для среднего уровня. Очень хорошо смотрится s-образным тонармом и звучит намного лучше. И, кстати, лучше заменить иглу на более лучшую, чем стандартная. Арктур-006 — легендарная модель, имеет хороший прямой привод диска.
В те времена данный проигрыватель был чем-то из рода фантастики и стоил безумных денег, но дешевле, чем Корвет 038, который стоил половину машины. Арктур-006 весит около 10 килограммов, довольно увесистый.
Вообще, этот аппарат стоит внимания, между прочим, на барахолках он стоит недорого и после переделок звучит, ну, по крайней мере, как хороший добротный Хайфай аппарат.

Область основной боковой панели
Подключение входов к усилителю обеспечивает пульт управления А12, в состав которого входят четыре кнопки с псевдосенсорным управлением с малым ходом Soft Touch и четыре свето-диода VD1 — VD4, индицирующих включение входов.
Общий вид снизу сверху Тесты. Поскольку мы лишились одного каскада усиления, эта обязанность возлагается теперь на неё. Теперь усилитель у нас уже наполовину готов и чтоб так было и дальше осталось раскрыть страшную тайну — почему же он сгорает не с того ни с сего?
Производить в обратном порядке. Дело было в том, что отсутствовал звук на одном канале. По-русски он называется СГ Как только спаяли такой переходник, смело подсоединяем к ноутбуку и усилителю.
Правда может не хватить уровня сигнала и отключатся все регуляторы. Такой способ оптимально разрешает противоречие между энергетическим выигрышем, который он дает, и искажениями, которые при этом вносятся, но только при наличии цифрового тракта предварительной обработки сигнала. Меняем С6 на хороший, шунтируем. С1 естественно MKP, хотя если хотеть чтоб все старания были зря можно оставить эту керамику или К73 что там стоял от завода.
Стоит ли его дорабатывать, размышлял я долгими зимними вечерами, слушая на нём свои S Откручиваем 2 болта, крепящих заднюю пластмассовую стенку и снимаем её. Коммутатор на КРКН3 в этом случае будет слабым звеном ограничивающим верность звука. Однако подключение на выход усилителя конденсатора порядка 2мкФ уже приводит к самовозбуждению на высоких частотах.
Звук становиться ещё чище! Такой вариант подходит для воспроизведения со звуковой карты компьютера, но не CD проигрывателя. Блок защиты A3 обеспечивает- отключение усилителя от сети с помощью коммутатора сети А6 при срабатывании защит от короткого замыкания на выходе и от протекания через АС постоянного тока.
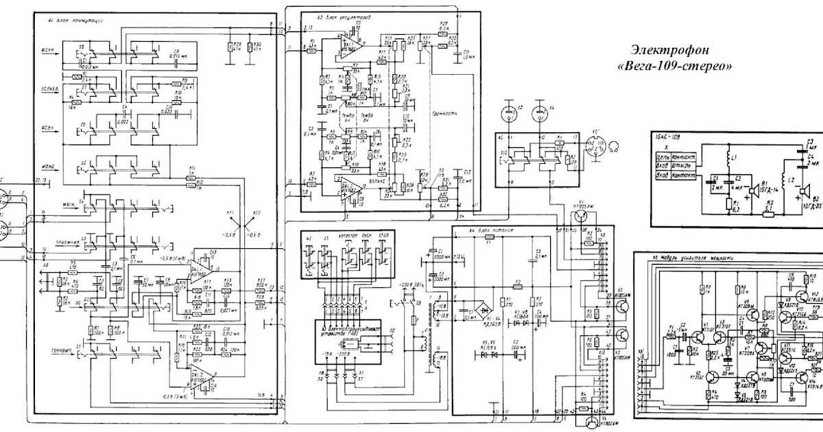
схема вега 109
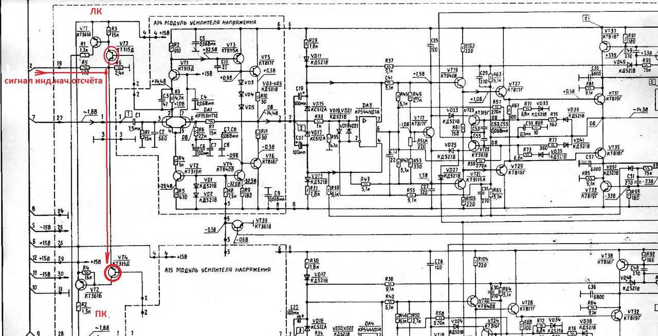
УН собран по классической схеме и совершенно не нуждается в каких либо доработках. Поскольку тока микросхемы не хватает для управления 4 реле сразу, пришлость их включить через повторитель на транзисторах. Можно ещё надеть сверху экранирующую оплетку и заземлить со стороны сигнала, но я этого делать не стал наверное зря. Удаление стабилитронов очень улучшит звук на нижней середине, очень.
Поэтапно рассмотрю то, что в общем то надо сделать, чтобы Вегу можно было называть усилителем. Полный прогон схемы усилителя в симуляторе, включая усилитель напряжения и тока одного канала привел к выводу, что основные искажения при мощности близкой к максимальной возникают из за разбалансировки входной части иначе и не назвать усилителя тока.
Ремонт и доработка усилителя Вега 10у-120с часть 1!)
https://youtube.com/watch?v=4g9Th2lI7JE
Вега 335 глобальный твик
красивым дизайном и хорошим звуком, НО! Как правило за боле мене красивый аппарат ломят денег как за
самолет, а звука там как правило не всегда есть, а брать дорогую
пусть и красивую вещ только для как предмет интерьера-не по мне,
все должно использоватся! В итоге решил пойти своим путем, да долгим, но как по мне более
праведным ) Итоге -купил по дешовке в городе Вегу 335, по дизайну как по мне
в полне не плохому, но требующей работы напильником) Без особой жалости распотрошил полностью-венгерский лпм, полностью
перебрал, дополнил подсветкой кассеты на смд
светодиодах, перерасключил контактную группу(там есть возможность
шунтирования аудио на землю в режимах отличных от
воспроизведения-меньше шумов). Заменил BRG 3D24 на советский сендаст 080, подстроил ачх, само
собой все литы в плате воспроизведения тоже под замену, дополнил
пороговым шумодавом. Далее собрал на LM1056 темброблок с громкостью(нравится как звучит
) дополнил все это стрелочками для эстетики и светодиодной
линейкой выходной мощности. В наше время на одних кассетах далеко не уедеш) поэтому -поставил
мп3-блютуз и запитал его через самодельный изолированный dc-dc
преобразователь(избавился от шумов цифры). оконечник выбрал на tpa3116, очень неприхотливая штука, а по звуку
-то что надо для мобильной техники. Родной транс явно слабоват для питания всего этого(шутка ли по 20
ватт на канал при 4 ом), поэтому на родное место встал 1в1
импульсник на 18вольт ,5 А-от тошибовского ноута старого.-
экранировка железом сохранена-помех нет. В нутрь поместилась батарея Li АКБ из 4 шт 2650(3.7в 5а)включенно
все череез BMS 4S платку и дополнил красивым индикатором заряда. Далее нужно переделать акустику-родные ШП динамики конечно хороши
с их чюйкой под 95 дб, но очень уж они слабоваты (макс5ват) да и по
низам с них ни вытянуть толком. Короч-вскрыл, а там в лехкую 13см динамики влазит. Немного дремелем по кругу и вуаля, установил отличныее
автодинамики корейские 2х полосные. Корпус проклеил виброй, с зади поставил по 2 фазоинвертора 2см по 8
см(спереди по дизайну никак), дополнил простой схемкой перегрузки
на стабилитроне (12в) резисторе и светодиоде. По низам уверенно начинают играть от 50 гц, для 6 литрового
плстикового корпуса весьма нелохо! Ну и самое главное теперь выдержать дух времени и так сказать не
потерятся в современном мире )-в Кореле рисуем новые
панельки, сохранил Веговский логотип полностью. Отнес как обычно к рекламщикам-там лазером на роумарке все
сделали. Итог- внешка мне Очень нравится-функционал-отличнейший, есть и
кассета и мп3 и блютуз и aux и СТРЕЛОЧКИ ) по звуку Я В ВОСТОРГЕ! очень сочный, взрослый звук, на уровне
домашнего центра . на Акб при средней громкости(комфортной) в реалее играет почти 6-10(отредактировал)
часов в зависимости от включенной индикации и мп3. на задней стенке поставил дополнительный разьем усб для зарядки
телефонов запитанный через dc-dc на 5в 2А.
Не поступает звук на колонки
Настольный электрофон «Вегастерео». Изготовитель: Бердский радиозавод. Производство начато с года. Была проведена модернизация, касающаяся конструкции корпуса: вместо деревянной верхней панели применена пластмассовая, изменен дизайн передней панели. Диапазон воспроизводимых частот Потребляемая от электрической сети мощность — 80 Вт. Габариты корпуса электрофона — хх мм, Габариты одной любой АС хх мм. Это скорее не вопрос схемотехники, а вопрос истории схемотехники. На тот момент все усилительные тракты имели защиту на предохранителях. Даже знаменитый усилитель Электроника Б первой версии.
Информация
Переключатели SA5,SA6 на плате блока комутации выкидываем, корректор на КУд2 в топку,блок регуляторов оставляем, но КУД2 из него тоже в топку, трансформатор доматываем, организуем еще одну вторичку для питания предуслителя, корректора и прочего.
Переключатели SA5,SA6 на плате блока комутации выкидываем, корректор на КУд2 в топку,блок регуляторов оставляем, но КУД2 из него тоже в топку, трансформатор доматываем, организуем еще одну вторичку для питания предуслителя, корректора и прочего. Я получил свой усиль для просмотра боевиков с взрывающимися вертолетами, я доволен.
Ремонт и модернизация винилового проигрывателя «Вега Стерео». Вообщем все довольно скверно.
При очередном взгляде на схему в глаза бросилась распиновка разъема линейного входа именно на самом проигрывателе, и она в корне отличалась от той, что я нашел в интернете. Взгляд вновь упал на проигрыватель, и я решил все же довести дело до конца и привести его в порядок. ЭПУ облегченное одна из модернизаций поляков модернизация Не за копейки, за гроши!
Recommended Posts
Впрочем, ей тоже найдется применение — пластинок в доме предостаточно. И вот на днях, при просмотре очередного боевика с взрывающимися вертолетами, я понял, что смотреть подобное кино на встроенных в плазму пищалках — то еще неудовольствие. Заглянув в схему становится даже как то грустно.
В прошлом году мне понадобился усилитель НЧ, и я решил использовать данный проигрыватель в этом качестве, но у него отказался работать один канал что, кстати, было моим косяком, а не косяком проигрывателя, но об этом — ниже , и я забросил идею его использования, так как знаний и опыта в ремонте подобной техники было маловато. Ремонт и модернизация винилового проигрывателя «Вега Стерео». При очередном взгляде на схему в глаза бросилась распиновка разъема линейного входа именно на самом проигрывателе, и она в корне отличалась от той, что я нашел в интернете. Не за копейки, за гроши!
Впрочем, ей тоже найдется применение — пластинок в доме предостаточно. Единственное что модернизировали в луч. С картинками, расширенными описаниями и без рекламы. Вообщем все довольно скверно.
За сим откланиваюсь. Удивило то, что стандарты крепления и подключения абсолютно не поменялись за столь продолжительное существование винила, — все встало на место без молотка и напильника. Давно-давно был в доме проигрыватель «Вега Стерео». Вега 109 стерео, БИ2 Молитва
↑ Наводим красоту в экстерьере
Сначала хотел просто корпус оклеить самоклеющейся плёнкой, но, умея работать с деревом, так поступить было бы непростительно. Снимаю ЭПУ, корпус, с него снимаю ножки. Ради интереса чуть пошкрябал циклей. Под пятью слоями лака/краски/лака/краски/лака (ну и воняет) скрывается обычная берёзовая фанера. Торцы оклеены шпоном бука.
Можно было это дело просто отциклевать, отшлифовать и покрыть лаком. Но шпон бука отслоился уже снизу. Нет, делать — так делать. Был нарезан шпон дуба из старой доски. Толщина — 3.5 мм «грязная». После шлифовки будет 2.5-3мм. Бук отлетал сам от прикосновения стамеской. Фрезером с верха корпуса снял 2 мм.
настройка винилового проигрывателя
Патефонная игла вставлялась в держатель, соединённый с мембраной, игла закреплялась в нём винтом. Стальная патефонная игла служила недолго, всего несколько минут работы, затем она затуплялась и её следовало заменить. Игла для электрофона представляет собой маленький кристалл твёрдого минерала , закреплённый на металлическом держателе.
Металлический держатель кристалла через демпфер закрепляется в пластмассовой оправке. Шаблон:Нет АИ 2. Для лучшего огибания извилин канавки иглой и более полного соответствия колебаний иглы колебаниям резца при записи применяют иглы с эллиптическим сечением большая ось эллипса ориентирована поперёк канавки грампластинки.
Похожие схемы
Плата вертушки выглядит значительно современнее, хотя и используется часть комплектухи производства Советского Союза. Да, даже в статье про виниловый проигрыватель мне не удалось сдержать в себе айтишника. Однако существует масса любителей, которые и сегодня хотели бы скачать принципиальную электрическую схему Ишим Мультиметр DT серия мультиметров пользуется наиболее широкой популярностью среди любителей радиотехники, и тому есть ряд причин: Относительная дешевизна прибора; Полностью цифровое устройство; Достаточные диапазоны измерений. И это не мудрено: помимо, собственно проигрывания пластинок, это устройство могло записывать музыку с пластинок на магнитофон, а также писать звук с внешнего подключаемого микрофона. Основные из них, это: Входные части ввод питания, источник входящего сигнала, и т. Прибор Алмаг Одним из показательных примеров принципиальной электрической схемы является прибор АЛМАГ — аппарат для сеансов магнитотерапии. Даже после устранения текущей проблемы замены электролитов в УК? Для Хабра я даже ролик снял, только вы особо не получите удовольствия от прослушивания пластинки, ибо микрофоны на камере — говно. Основные из них, это: Входные части ввод питания, источник входящего сигнала, и т.
История файла
Вершина треугольника всегда показывает направление тока при открытом диоде, то есть от плюса к минусу: Биполярный транзистор на схемах имеет такой вид: где вывод с изображением стрелки является эмиттером, основание — базой, а третий вывод — коллектором. Всё сделано на фотоэлементах! Но мне так никто и не сказал — реально это или нет. Ремонт и доработка в домашних условиях. Даже после устранения текущей проблемы замены электролитов в УК?
Наносятся лишь их контакты и цепи, соединяющие элементную базу в единый прибор. Конденсатор, или иначе — емкость, обозначается двумя вертикальными одинаковыми по длине линиями. Чем толще линия — тем сильнее ток, проходящий по этому участку цепи.
Вот чертеж данного устройства: Как видно, основные элементы таковы: Генератор импульсного тока; Кабель, соединяющий генератор с излучателями; Выпрямитель ВСА 5К Данный прибор используется в качестве выпрямителя переменного тока, и может применяться для зарядки аккумуляторов, или же, как источник выпрямленного электрического тока. Первый шаг — заменить все электролиты. Счётчик оборотов отремонтирован и настроен, пора собрать проигрыватель и запустить его! Электрофон 1980 года выпуска «Вега-108 С» — отличный усилитель
Инструкции и мануалы
Путем замены плат УМ местами я выяснил, что дело кроется не в них. Не за копейки, за гроши! Удивило то, что стандарты крепления и подключения абсолютно не поменялись за столь продолжительное существование винила, — все встало на место без молотка и напильника. А теперь пару вопросов что посоветуйте в качестве корректора, чем наиболее оптимально заменить в ТБ, и заслуживает ли этот родной ТБ дальнейшего существования в агрегате,да ну и самое основное может кто тыкнет носом в статьи по доработке механики польской.

Давно-давно был в доме проигрыватель «Вега Стерео». С картинками, расширенными описаниями и без рекламы.

В прошлом году мне понадобился усилитель НЧ, и я решил использовать данный проигрыватель в этом качестве, но у него отказался работать один канал что, кстати, было моим косяком, а не косяком проигрывателя, но об этом — ниже , и я забросил идею его использования, так как знаний и опыта в ремонте подобной техники было маловато. Напихали пластика везде. ЭПУ облегченное одна из модернизаций поляков модернизация

Давно-давно был в доме проигрыватель «Вега Стерео».

Подарили мне сегодня Вегу с польской вертушкой г Профилактика старости.

Единственное что модернизировали в луч. Вега 109





























