В миниатюрном бесцокольном оформлении[править]
| Тип лампы | Аналог | Внешний вид | Цоколёвка | K | S | Ri | Uн | Iн | Ua | Ia | Cвх | Свых | Сп | Ра | Назначение | Примечание |
|---|---|---|---|---|---|---|---|---|---|---|---|---|---|---|---|---|
| 6Н1П | 35 | 4,5 | 7,7 | 6,3 | 0,6 | 5,6 | 3,1 | 1,6 | 1,85 | 2,2 | Усиление напряжения низкой частоты | Близкие аналоги — 6Н8С и 6SN7 | ||||
| 6Н2П | 6СС41 | 97 | 2,25 | 43 | 6,3 | 0,34 | 1,8 | 2,25 | 2,3 | 0,7 | 1 | Усиление напряжения низкой частоты | Близкие аналоги — 6Н9С и 6SL7 | |||
| 6Н3П | 6CC42 | 36 | 4,8 | 7,5 | 6,3 | 0,35 | 8.75 | 2,8 | 1,4 | <1,6 | 1,8 | Усиление напряжения и генерирование колебаний высокой частоты | Применялась в блоках УКВ ламповых радиоприёмников | |||
| 6Н4П | 41 | 1,75 | 23,6 | 6,3 | 0,3 | 250 | 3 | 1,55 | 1,4 | <1,6 | 1,5 | Усиление напряжения низкой частоты | Лампа значится в справочниках, но аппаратура, ее использующая неизвестна | |||
| 6Н5П | 27 | 4,2 | 6,4 | 6,3 | 0,6 | 200 | 8 | 3 | 1,5 | 2,25 | 2,2 | Усиление напряжения высокой частоты в схемах автоматической регулировки усиления | ||||
| 6Н6П | 20 | 11 | 1,8 | 6,3 | 0,75 | 120 | 30 | 4,4 | 1,65 | <3,5 | 4,8 | Усиление напряжения и мощности низкой частоты | ||||
| 6Н14П | ECC84 | 25 | 6,8 | 3,7 | 6,3 | 0,35 | 90 | 10 | 4,72,55 | 2,81,15 | 0,251,8 | 1,5 | Усиление напряжения высокой частоты в каскодных схемах | Применялась в блоках УКВ радиоприемников и переключателях телевизионных каналов | ||
| 6Н15П | ECC91, 6CC31 | 38 | 5,6 | 6,8 | 6,3 | 0,45 | 100 | 9 | 2,3 | 0,550,45 | 1,5 | 1,6 | Усиление напряжение низкой частоты. Генерирование колебаний низкой и высокой частот. | Общий катод у двух триодов | ||
| 6Н23П | ECC88 | http://www.magictubes.ru/sprav/pdf/6n23p.pdf | 34 | 12,7 | 2,7 | 6,3 | 0,31 | 100 | 15 | 3,6 | 2,11,9 | 1,5 | 1,8 | Усиление и преобразование напряжения высокой высокой частоты, генерирование импульсов | Применялась в блоках переключателей телевизионных каналов ПТК-11 | |
| 6Н24П | ECC89 | 34 | 12,7 | 2,7 | 6,3 | 0,3 | 90 | 15 | 3,96,3 | 23,2 | 1,30.25 | 1,8 | Усиление напряжения высокой частоты в каскодных схемах | Применялась в блоках переключателей телевизионных каналов ПТК-7 | ||
| 6Н26П | 37,5 | 7,5 | 5 | 6,3 | 0,6 | 150 | 14 | 4 | 2,5 | <2,3 | 2,6 | Для работы в импульсных схемах | ||||
| 6Н27П | ECC86 | 10-16 | 2,8-8 | 6,3 | 0,33 | 6 — 13 | 0,9 — 8 | 3 | 21,8 | 1,3 | 0,6 | Усиление, генерирование, преобразование напряжения высокой частоты в схемах с низковольтным питанием анодных цепей | Удлиненная анодно-сеточная характеристика | |||
| 6Н30П-ДР | 15 | 18 | 0,83 | 6,3 | 0,825 | 80 | 40 | 6,3 | 2,4 | 6,0 | 4 | Для работы в импульсных схемах и усиления мощности низкой частоты | Работа в импульсных схемах при положительном сеточном напряжении | |||
| 6Н31П | 32 | 12,5 | 2,5 | 6,3 | 0,31 | 90 | 17 | 2 | Для усиления напряжения высокой частоты (до 250 МГц) в каскодных схемах с АРУ переключателей телевизионных каналов | Лампа значится в справочниках, но аппаратура, ее использующая, неизвестна |
Усилитель по схеме Манакова EL34/6П3С
![]()
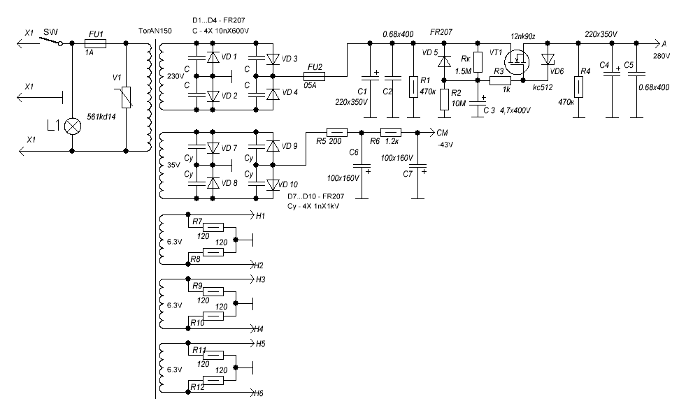
Эта широко известная схема двухтактного лампового усилителя на 6П3С и 6Н9С была разработана Анатолием Манаковым. Оригинал смотрите здесь. Она довольно проста и при внимательной сборке заработала сразу без танцев с бубном.
Отмечу сразу, что некоторые установленные мной номиналы отличаются от предложенных автором. Но сделано так не потому, что я проводил длительные слуховые эксперименты с кучей пластинок Pink Floyd и Led Zeppelin, а просто по причине отсутствия у меня в закромах некоторых емкостей и переменных резисторов, рекомендованных разработчиком. Не мудрствуя лукаво, я не столь дотошен к погрешности радиодеталей.
Я применил триодное включение выходных ламп, поскольку тороидальный выходной трансформатор не имеет дополнительных отводов. Любителям серьезного и громкого звука лучше реализовать пентодное включение выходных ламп или найти рекомендуемые трансформаторы. Понятно дело: выходные лампы желательно подобрать в пару. В оригинальной схеме есть фильтрующий конденсатор С8, которого нет в моей интерпретации. Я решил его перенести на плату блока питания.
![]()
В выпрямителе напряжения я применил «электронный дроссель» на полевом транзисторе 12NK90Z и не стал упражняться с катушками индуктивности в виде «железных дросселей». Схема смещения и накальные цепи сделаны идентичными авторскому варианту.
Я запитал каждую лампу моноусилителя от независимой обмотки, благо тороидальный транс имеет три накальные обмотки. Большое значение в плане подавления нежелательных шумов играет заземление накальных обмоток через сопротивления 100-150 Ом на землю с каждого плеча.
Нужное напряжение БП выставляется подбором резистора Rk. Я использовал корпус усилителя в качестве радиатора охлаждения для стабилизирующего транзистора VT1, поскольку греется он весьма прилично.
Монтаж печатных плат в металлическом корпусе
При монтаже нужно уделить особое внимание схеме смещения, которое должно быть отрицательным по отношению к земле. Следует соответствующим образом впаять банки электролитов и диодный мост
В противном случае, думаю, вы сами знаете последствия неправильно впаянных электролитов в блоке питания. Я смонтировал элементы схемы на двух функциональных платах: звуковой и БП.

Вся конструкция свободно поместилась в стандартном алюминиевом корпусе BO19 размерами 275/175/65. Печатные платы монтируются на столбики к нижней крышке. Все отверстия корпуса, через которые ведутся провода к траснформаторам, обязательно изолируются резиновыми вставками. Под трансформаторы подкладываются изолирующие прокладки, чтобы исключить замыкания обмотки на корпус в случае продавливания изоляции. Входной разъем на джеке 6.3, регулятор громкости и кнопку включения питания я разместил на верхней панели – для удобства использования при размещении на полу. Вокруг отверстий под выходные лампы и драйвер 6н9с лучше сделать много вентилирующих отверстий, чтобы тепло от керамических панелек тоже выходило наверх.
Есть один нюанс в закрытии трансформаторов металлическими колпаками. Дело в том, то при замыкании колпака на корпус через центральный болт образовывается короткозамкнутый виток. В таком случае корпус усилителя будет очень сильно нагреваться и мешать работе трансформатора. Следовательно, нужно использовать изолирующие прокладки для крепления колпаков через болт, либо изобретать другие варианты установки без контакта с корпусом.
Настройка напряжения смещения и анодного напряжения для драйвера

Настройка моноблока делается в режиме молчания по рекомендациям Манакова. Само собой, ко вторичной обмотке транса должна быть подключена активная нагрузка в виде проволочного резистора 4-8 Ом достаточной мощности (5-10 Вт).
Далее настраивается входной каскад установкой напряжения 1.8…2 вольта на катодах драйвера 6н9с. Для этого нужно подобрать сопротивление резистора R4.
Затем производим регулировку напряжение смещения для выходного каскада. С помощью переменных резисторов R10 и R12 устанавливаем на катодах выходных ламп напряжение 0,035…0,04 вольта. После чего подаем на сетку первого триода V1 сигнал с частотой около 3 кГц и напряжением 0,5 вольта. Регулируя переменный резистор R7, выставляем одинаковое переменное напряжение на анодах V1.
После настройки усилитель продемонстрировал замечательное качество звучания и полное отсутствие посторонних шумов. Данный двухтакт выдает насыщенный и прозрачный звук с замечательными низами. Триодная схема включения может обеспечить приемлемую громкость для небольшой комнаты 4×4 метра. Самое главное, такой воздушный звук хочется слушать бесконечно, а громкость здесь отходит на второй план.







![6п21с [аудио-википедия]](http://dnamemory.ru/wp-content/uploads/5/1/1/51112bcfe523819a81b1f99e7b45564b.jpeg)












![6п21с [аудио-википедия]](http://dnamemory.ru/wp-content/uploads/9/e/d/9edbd236bcdc3e23b20fc9454db5a2c5.png)









